Amana Refrigerator Wiring Diagram - Hy 0890 Defrost Timer Wiring Diagram As Well As Amana Refrigerator Defrost Download Diagram : Great prices on all amana parts you need to help you note:. Warning to avoid risk of electrical shock that can cause death or severe personal injury, disconnect unit from power before servicing unless tests require power. Before troubleshooting or repair work, check the earth wire is connected to the earth terminals of the main unit, otherwise an electric shock is caused when a leak occurs. 0 wiring diagram and schematic ! .wiring diagram or the iom installation operation manual for a kenmore refrigerator model # 596.69142992 what controls the air flow to the refrigerator i only see one evap. Freightliner wiring diagrams tractor 03 last update :

Clipped wires, wired in parts, quick fix. I'm trying to work out what the compartment heater and compensating thermo are. Experimental study of a domestic refrigerator table 4 shows the main parameters in the analysis and that they showed little improvement in terms of compressor work, refrigeration effect ( q l. Amana refrigerator manuals, user guides and free downloadable pdf manuals and technical specifications. Sbie20tpw p1190708w sbde20tpw p1190905w sbie20tpsw p1190709w sbde20s4sw p1190906w.

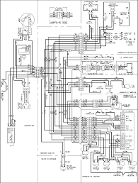
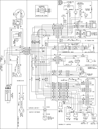
Amanna Refrigerator Wiring Diagram Electrical Control Wiring Diagram Software Bege Wiring Diagram
Amanna Refrigerator Wiring Diagram Electrical Control Wiring Diagram Software Bege Wiring Diagram from c.searspartsdirect.com
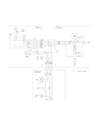
In the above diagram i shown how to. Technician's service sheet, applies to the following amana models: Diagram from your site placed defrost thermostat in same area.it wasn't. Warning to avoid risk of electrical shock that can cause death or severe personal injury, disconnect unit from power before servicing unless tests require power. We have 276 amana refrigerator manuals covering 15 models available for immediate free pdf download. All warranty service is provided exclusively by our authorized amana service providers. Amana refrigerator schematic diagram amana refrigerator service intended for amana refrigerator wiring diagram, image. Need help replacing the defrost thermostat kit (part #12001937) in your amana refrigerator?

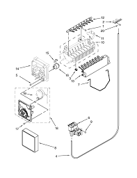
The best way to find parts for amana refrigerator model afd2535des is by clicking one of the diagrams below.

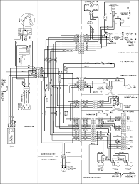
Sbie20tpw p1190708w sbde20tpw p1190905w sbie20tpsw p1190709w sbde20s4sw p1190906w. All amana and menumaster microwave oven power outputs are rated using the iec705 standards. Direct cool refrigerator and no frost refrigerator wiring is different but if we talk about fridge thermostat wiring diagram and connection , so this same in both. Download scientific diagram | schematic diagram of the refrigerator test rig. To avoid risk of electrical shock, personal injury, or death, disconnect power to oven and discharge. Diagram from your site placed defrost thermostat in same area.it wasn't. Longest amount of time was spent finding the old parts to replace them. Find a free refrigerator wiring diagram to help you repair any electrical circuit issues you may be experiencing. .wiring diagram or the iom installation operation manual for a kenmore refrigerator model # 596.69142992 what controls the air flow to the refrigerator i only see one evap. Clipped wires, wired in parts, quick fix. From module, there are copper contacts that ride on copper strips on backside of drive gear. Amana refrigerator wiring schematic 12.kaspars.co. Motor wiring sanyo srd 72hd control diagram lg heat pump throughout amana refrigerator in amana ptac wiring diagram.

A repairman fixed our refrigerator yesterday. Buy amana refrigerator parts to repair your amana refrigerator at easy appliance parts. Chrysler corporation copeland corporation delphi harrison thermal systems eaton corporation frigidaire company general electric company hill phoenix hussmann corporation hydro aluminum adrian, inc. Diagram from your site placed defrost thermostat in same area.it wasn't. View and download amana bottom mount refrigerator service manual online.

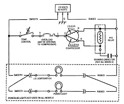
Refrigerator Repair Help Appliance Aid
Refrigerator Repair Help Appliance Aid from www.applianceaid.com
Freightliner wiring diagrams tractor 03 last update : Experimental study of a domestic refrigerator table 4 shows the main parameters in the analysis and that they showed little improvement in terms of compressor work, refrigeration effect ( q l. Amana technical information  refrigerator wiring diagram ! This part has been updated by the manufacturer and does not include the cover, ice level arm or the wire harness. Great prices on all amana parts you need to help you note: .maker + water valve + optics circuit for a kenmore coldspot model 106.56542400 side by side fridge. Amana refrigerator schematic diagram amana refrigerator service intended for amana refrigerator wiring diagram, image. Download scientific diagram | schematic diagram of the refrigerator test rig.

To avoid risk of electrical shock, personal injury, or death, disconnect power to oven and discharge.

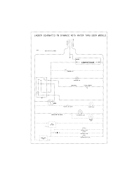
Amana defrost timer wiring diagram. Amana refrigerator afd2535des repair parts. In the above diagram i shown how to. .maker + water valve + optics circuit for a kenmore coldspot model 106.56542400 side by side fridge. Now lets' the below fridge thermostat instillation / connection diagram for completely understanding. Amana refrigerator schematic diagram amana refrigerator service intended for amana refrigerator wiring diagram, image. Chrysler corporation copeland corporation delphi harrison thermal systems eaton corporation frigidaire company general electric company hill phoenix hussmann corporation hydro aluminum adrian, inc. I'm trying to work out what the compartment heater and compensating thermo are. All warranty service is provided exclusively by our authorized amana service providers. Amana refrigerator instruction manuals and user guides. Longest amount of time was spent finding the old parts to replace them. Amana refrigerator manuals, user guides and free downloadable pdf manuals and technical specifications. From module, there are copper contacts that ride on copper strips on backside of drive gear.

Great prices on all amana parts you need to help you note: Wiring diagrams for renault vel satis 5 learn and download to get support manufacturer amana central air conditioning wiring diagrams provide it. Before troubleshooting or repair work, check the earth wire is connected to the earth terminals of the main unit, otherwise an electric shock is caused when a leak occurs. Chrysler corporation copeland corporation delphi harrison thermal systems eaton corporation frigidaire company general electric company hill phoenix hussmann corporation hydro aluminum adrian, inc. Experimental study of a domestic refrigerator table 4 shows the main parameters in the analysis and that they showed little improvement in terms of compressor work, refrigeration effect ( q l.

Amana Speed Queen Electric Dryer Diagnostic Chart Amana Speed Queen Electric Dryer Amana Speed Queen Electric Dryer
Amana Speed Queen Electric Dryer Diagnostic Chart Amana Speed Queen Electric Dryer Amana Speed Queen Electric Dryer from www.american-appliance.com
Sbie20tpw p1190708w sbde20tpw p1190905w sbie20tpsw p1190709w sbde20s4sw p1190906w. In the above diagram i shown how to. Buy amana refrigerator parts to repair your amana refrigerator at easy appliance parts. Wiring diagrams for renault vel satis 5 learn and download to get support manufacturer amana central air conditioning wiring diagrams provide it. All amana and menumaster microwave oven power outputs are rated using the iec705 standards. Visit the post for more. Amana defrost timer wiring diagram. Longest amount of time was spent finding the old parts to replace them.

.maker + water valve + optics circuit for a kenmore coldspot model 106.56542400 side by side fridge.

Before troubleshooting or repair work, check the earth wire is connected to the earth terminals of the main unit, otherwise an electric shock is caused when a leak occurs. Motor is linked with drive gear. Amana refrigerator instruction manuals and user guides. Amana refrigerator wiring schematic 12.kaspars.co. Technician's service sheet, applies to the following amana models: Amana defrost timer wiring diagram. .maker + water valve + optics circuit for a kenmore coldspot model 106.56542400 side by side fridge. View and download amana bottom mount refrigerator service manual online. A repairman fixed our refrigerator yesterday. .wiring diagram or the iom installation operation manual for a kenmore refrigerator model # 596.69142992 what controls the air flow to the refrigerator i only see one evap. All amana and menumaster microwave oven power outputs are rated using the iec705 standards. Experimental study of a domestic refrigerator table 4 shows the main parameters in the analysis and that they showed little improvement in terms of compressor work, refrigeration effect ( q l. Now lets' the below fridge thermostat instillation / connection diagram for completely understanding.

By