Toro Wheel Horse Wiring Diagram / Wiring Diagram For Toro Riding Mower - Wheel horse work horse iawn&gardentractors by.. The toro warning system in this manual identifies potential hazards and has special safety messages that help you and others • stop the engine, disconnect spark plug wire(s) and remove key before performing any service, repairs, maintenance or adjustments. Now owned by toro, wheel horse built one of the best riding mowers and tractors ever. Owners manual for toro wheelhorse 260 series tractors. Wheel rim for tubeless tire. Fit the final segment of belt around the engine pul.

Replies 550 oliver dash wiring issues. Toro wheel horse 416 parts manual. Wheel horse wiring diagrams for all models. Wheel horse 520h parts manual free wiring diagram for you. Fix up your toro or wheel horse lawn mower with replacement parts from pat's small engine plus.

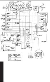
Wiring Diagram For Toro Riding Mower
Wiring Diagram For Toro Riding Mower from i0.wp.com
Download files and build them with your 3d printer, laser cutter, or cnc. Wheel horse wiring diagrams for all models. ℹ️ download toro wheel horse 78218 manuals (total manuals: I don't want to be rude and delete this question mabbe you could explain better the issue. Do i understand correctly that you need the wiring diagram of a wheel horse? 810291 r 2 printed in u.s.a. Online ansehen oder herunterladen toro wheel horse 523dxi bedienungsanleitung. Thingiverse is a universe of things.

Toro wheel horse 8 25 ✅.

ℹ️ download toro wheel horse 78218 manuals (total manuals: Owners manual for toro wheelhorse 260 series tractors. Cagiva motorcycle manuals pdf & wiring diagrams. Download files and build them with your 3d printer, laser cutter, or cnc. Wheel horse was a manufacturer of outdoor and garden power equipment, including lawn and garden tractors. Replies 550 oliver dash wiring issues. Anleitungen und benutzerhandbücher für toro wheel horse 523dxi. Do i understand correctly that you need the wiring diagram of a wheel horse? Ford 9n clutch has no feel? Shimmy beneath your toro and manually pry the broken drive belt from the engine pulley. Be cautious with filament type, ensure it's suitable for use with fuel. Toro wiring diagram toro professional proline sn toro ignition with toro wheel horse wiring diagram, image size 640 x 463 px. Wheel horse 520h parts manual free wiring diagram for you.

Find more compatible user manuals for wheel horse 78218 lawn mower device. We carry genuine wheel horse parts (now branded as wheel horse toro parts) and aftermarket parts to help you finish your repair without breaking. Ford 9n clutch has no feel? Honestly, we also have been noticed that toro wheel horse wiring diagram is being one of the most popular field at this time. This manual for toro wheel horse 416h, given in the pdf format, is available for free online viewing and download without logging on.

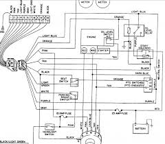
Dk 3416 Horse Ignition Switch Wiring Diagram In Addition Wheel Horse Wiring Free Diagram
Dk 3416 Horse Ignition Switch Wiring Diagram In Addition Wheel Horse Wiring Free Diagram from static-cdn.imageservice.cloud
Wheel horse 520h parts manual free wiring diagram for you. Toro wheel horse 416 parts manual. 1 user guides and instruction manuals found for toro wheel horse 78218. Do i understand correctly that you need the wiring diagram of a wheel horse? Find more compatible user manuals for wheel horse 78218 lawn mower device. Toro 520xi, 522xi, 520lxi parts tractor. Thingiverse is a universe of things. Fit the final segment of belt around the engine pul.

68%(28)68% found this document useful (28 votes).

Wheel rim for tubeless tire. Honestly, we also have been noticed that toro wheel horse wiring diagram is being one of the most popular field at this time. Ford 9n clutch has no feel? That motor is nearly indestructible. We carry genuine wheel horse parts (now branded as wheel horse toro parts) and aftermarket parts to help you finish your repair without breaking. Toro wheel horse 416 parts manual. Tractor toro 260 series service manual. This is a great wheel horse electrical helper. Thingiverse is a universe of things. Download toro lawn mower wheel horse 416h free pdf operator's manual, and get more toro wheel horse 416h manuals on bankofmanuals.com. The wiring diagrams say that only the 87 has these idiot lights, but mine has the same model engine as the 88 is supposed to have. Find more compatible user manuals for wheel horse 78218 lawn mower device. 810291 r 2 printed in u.s.a.

Wheel rim 22.5 x 8.25 grabcad. Go to the files for the individual tractor model and look for wiring detailed revised. ℹ️ download toro wheel horse 78218 manuals (total manuals: Toro wheel horse 8 25 ✅. Wheel horse was a manufacturer of outdoor and garden power equipment, including lawn and garden tractors.

Wheel Horse 520h Onan Start Attempt Part 28 Youtube
Wheel Horse 520h Onan Start Attempt Part 28 Youtube from i.ytimg.com
Still need help after reading the user manual? Do i understand correctly that you need the wiring diagram of a wheel horse? Download files and build them with your 3d printer, laser cutter, or cnc. Wheel rim 22.5 x 8.25 grabcad. Toro wheel horse 8 25 ✅. 810291 r 2 printed in u.s.a. 1 user guides and instruction manuals found for toro wheel horse 78218. Wheel horse was a manufacturer of outdoor and garden power equipment, including lawn and garden tractors.

I bought a motorcycle in pieces, i have various parts of the electrical.

810291 r 2 printed in u.s.a. This is a great wheel horse electrical helper. The toro warning system in this manual identifies potential hazards and has special safety messages that help you and others • stop the engine, disconnect spark plug wire(s) and remove key before performing any service, repairs, maintenance or adjustments. That motor is nearly indestructible. Fit the final segment of belt around the engine pul. I have a 1995 toro wheel horse that won't turn over. 1) for free in pdf. For toro original equipment parts with wheel horse parts lookup diagrams, please read below before clicking on the diagram. The wiring diagrams say that only the 87 has these idiot lights, but mine has the same model engine as the 88 is supposed to have. 1 user guides and instruction manuals found for toro wheel horse 78218. Wheel horse parts available at discount prices from rcpw. Wheel horse toro parts on sale replacement commercial parts warehouse has been an authorized wheel horse dealer for 35 years. Download files and build them with your 3d printer, laser cutter, or cnc.

By